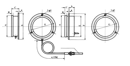
不銹鋼壓力型溫度計安裝尺寸圖
壓力類型溫度計適用于工業場合,測量對銅無腐蝕作用的各種介質的溫度。如果介質有腐蝕作用,應選擇防腐類型。該儀器廣泛應用于機械、紡織、化工、制藥和食品行業,用于測量和控制生產過程中的溫度。它可以在工作溫度達到或超過給定值時發出信號,也可以用作溫度調節系統中的電路觸點開關。
壓力類型溫度計主要技術指標
模型
工作能量
刻度盤直徑mm
表觀方向
案例材料
WTZ-280
WTQ-280
指示類型
100
徑向(懸掛式)
膠木
壓力類型溫度計測量范圍
測量范圍
WTZ-280
WTQ-280
-20 ~ 60;0 ~ 100;20 ~ 120;60 ~ 160;40 ~ 60;0 ~ 50;0 ~ 120;
0 ~ 200;0 ~ 250;0 ~ 300;0 ~ 400;0 ~ 500;0~600
暖袋插入深度
150~280(尾長12M)200~300(尾長> 12M)
暖袋材料
& Phi8,& Phi10,& Phi13,& Phi14根銅管,&φ;8,& Phi10,& Phi13,& Phi14不銹鋼管
毛細材料
銅毛細管包覆塑料毛細管不銹鋼毛細管
安裝方法
WTZ-280
M27*2活動外螺紋
材料:銅、鐵、不銹鋼
WTQ-280
M33*2活動外螺紋
尾長
1m ~ 20m > 20m的特殊加工
技術參數
準確度等級1.5/2.5接觸容量:220伏/1A(無感應負載10VA)
安裝孔尺寸
4 &質數;-& Phi;118毫米6英寸&優質;-& Phi;158毫米

“不銹鋼壓力型溫度計安裝尺寸圖 ”本文地址,轉載請勿刪除!http://m.dplzkj.com/gynews/2599.html